Ruột khóa Hafele 916.63.321 đầu vặn đầu chìa, đồng thau đen mờ PVD, dễ lắp, chống khoan và cạy khóa.
Thông tin thương hiệu
Hafele là thương hiệu uy tín của Đức chuyên cung cấp các phụ kiện cửa chất lượng cao với thiết kế bền bỉ và tinh tế.
Đặc điểm nổi bật
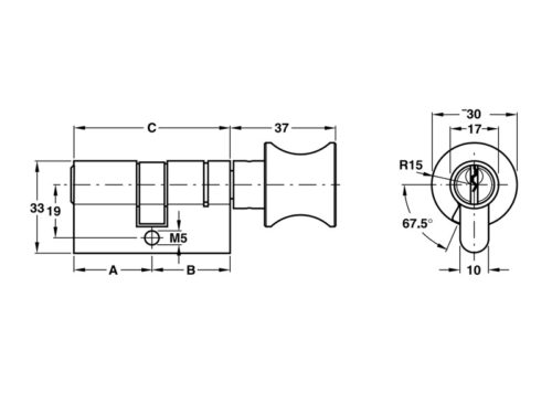
– Ruột khóa gồm 1 đầu vặn và 1 đầu chìa với chiều dài tổng 61mm, phù hợp cho nhiều loại cửa.
– Chiều dài các phần A và B đều là 30.5mm.
– Chất liệu đồng thau cao cấp giúp đảm bảo độ bền và khả năng chống ăn mòn hiệu quả.
– Bề mặt hoàn thiện màu đen mờ công nghệ PVD hiện đại, tạo vẻ đẹp sang trọng và bền màu.
– Bộ sản phẩm bao gồm 1 ruột khóa, 3 chìa khóa và 1 vít để thuận tiện trong lắp đặt.
– Trang bị hệ thống bi bên trong gia cố giúp ngăn chặn hành vi khoan phá khóa, đảm bảo bảo vệ tối ưu.
– Cấu trúc đặc biệt giúp chống cạy khóa, bảo vệ an toàn cho không gian sống.
– Dễ dàng lắp đặt, phù hợp với các tiêu chuẩn thị trường, linh hoạt kết hợp với các sản phẩm phụ kiện khác.
Thông số kỹ thuật
Mã sản phẩm: 916.63.321
Loại ruột khóa: 1 đầu vặn và 1 đầu chìa
+ Chiều dài A: 30.5mm
+ Chiều dài B: 30.5mm
+ Chiều dài C: 61mm
Chất liệu: Đồng thau
Màu hoàn thiện: Đen mờ PVD
Bộ sản phẩm gồm: 1 ruột khóa, 3 chìa khóa, 1 vít
Đóng gói: 1 bộ
Chính sách bán hàng
- Giao hàng toàn quốc – miễn phí vận chuyển
- Đổi trả trong 7 ngày nếu sản phẩm lỗi
- Bảo hành chính hãng 1 năm
Dịch vụ hỗ trợ
- Tư vấn 24/7, hỗ trợ khách hàng chọn đúng sản phẩm
- Cam kết hàng mới 100%, chính hãng, đầy đủ hóa đơn VAT
- Hỗ trợ kỹ thuật tận nơi trong thời gian bảo hành














Đánh giá
Chưa có đánh giá nào.